April 15th, 2026 10:30AM EDT
1(888)626-4365
Lynch Fluid Controls logo
LYNCH BAR MANIFOLDS & ACCESSORIES
Tapping plates
STANDARD SPECIFICATIONS
Standard Materials:
Aluminum-6061T6 and Ductile-654512
Other Material Options:
Mild Steel or Stainless Steel
Maximum Pressure:
Alu 3,000 PSI, Duc 5,000 PSI
Special Finishes:
Black Oxide, Electroless Nickel Plating, Anodizing

APPLICATIONS

System Diagnostic Machine
System diagnostic and monitoring - Gauge ports are easily added to one or several ports of a directional valve to monitor the system.
Tunnel boring Machine
Tunnel Boring Machines - Raising a stack of valves. Bar Manifold assemblies may get crowded when a somewhat complex system is assembled in such a compact space. A Tapping Plate can be used to move certain valves up when needed.

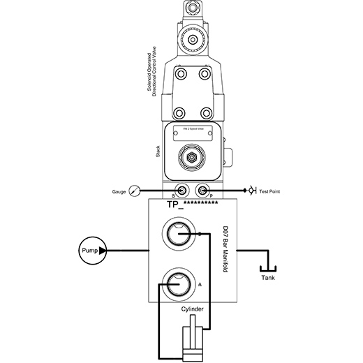
TAPPING PLATE

Shop Now
Tapping Plates are sandwich adapters designed to provide a means to easily take pressure readings from the work ports. Tapping Plates are designed for the purpose of adding a gauge port or test port to the circuit. All four PABT ports are standard for D07, D08 & D10 valve interfaces.

FEATURES AND BENEFITS

  • Clearance holes are designed to accommodate either UNC or Metric interface fasteners.
  • Standard Connection Points are P & A, P & B, P & T, and A & B for all solenoid interfaces up to D08 size.
  • Standard Connection Points for P, A, B & T ports are available for D07, D08 & D10 sizes. D05 size is available on request.
  • Nominal ¼" Connection Points for test points as shown are Standard. Larger port sizes for higher flows are available on request.
  • Viton O rings and locating pins are supplied as standard.
  • Tapping Plates for Servo Valves are available.
  • Special Tapping Plates can be ordered for external pressure connections from a secondary pressure source.

BLOCK DIAGRAM

Tapping plates block diagram

BUILD A VALVE ADAPTER

Type:
Type
Unselected
--
Unselected
--
Tapping Plate
TP
Material:
Material
Unselected
-
Unselected
-
Aluminum
A
Ductile Iron
D
Solenoid Interface:
Solenoid Interface
Unselected
---
Unselected
---
D02 - ISO 4401-02-01 / NFPA T3.5.1
02G
D03 - ISO 4401-03-02 / NFPA T3.5.1
03G
D05 - ISO 4401-05-04 / NFPA T3.5.1
05G
D05 Alt B - (USA Standard) NFPA T3.5.1
05H
D05 Alt A - ISO 4401-05-05 (EURO) / NFPA T3.5.1
05E
D07 - ISO 4401-07-06 / NFPA T3.5.1
07G
D08 - ISO 4401-08-07 / NFPA T3.5.1
08G
D10 - ISO 4401-10-08 / NFPA T3.5.1
10G
Connection Points
Connection Points
Unselected
----
Ports
Code
Unselected
----
P & A
PAXX
P & B
PXBX
P & T
PXXT
A & B
XABX
P, A, B & T
PABT
Gauge Port Code
Gauge Port Code
Unselected
--
Type
Size
Code
Unselected
--
SAE
4
SB
NPTF
1/4"
NB
BSPP
1/4"
BB
BSPT
1/4"
TB
Metric
M10
MB
Version
Version
Unselected
-
Unselected
-
Thru Holes
T
Welcome to the Part Number Generator
The part number you have selected is only available by special order. Please contact your Lynch representative for more details.
The part number you have selected is not a standard configuration. Please contact your Lynch representative for more details.
Lynch Headquarters Mississauga on map.
Canada
1799 Argentia Road
Mississauga, Ontario, L5N 3A2
Lynch Headquarters New York on map.
U.S.A.
3790 Commerce Court Suite 500,
North Tonawanda, New York, 14120
Lynch Hanover on a map.
Europe & Middle East
Hanover, Germany